BHR-8型電阻應變式荷重傳感器、變送器
- 產品分類:稱重測力傳感器
- 全國咨詢熱線:
- 13907318074
分享到:
概述
BHR-8型電阻應變式荷重傳感器,采用單背梁彈性元件。帶限位超載保護裝置,可廣泛用于測量系統中力的分柝和測量,也可作為自動控制元件。
主要技術指標
非線性誤差 ≤±0.1℅F.S
滯后誤差 ≤±0.1℅F.S
重復性誤差 ≤±0.05℅F.S
輸出靈敏度 1~1.5mV/V
溫度零點影響 0.01℅F.S/℃
輸出阻抗及橋壓 350Ω/10VDC
絕緣電阻 ≥2000ΜΩ
過載能力 120℅F.S
工作環境溫度 -10℃~+55℃
系列規格 5、10、15、20、30、50、70、100、120、150(㎏)
變送器輸出 0~5VDC 0~10VDC 1~5VDC 0~10mA 0~20mA 4~20mA
BHR-8型電阻應變式荷重傳感器,采用單背梁彈性元件。帶限位超載保護裝置,可廣泛用于測量系統中力的分柝和測量,也可作為自動控制元件。
主要技術指標
非線性誤差 ≤±0.1℅F.S
滯后誤差 ≤±0.1℅F.S
重復性誤差 ≤±0.05℅F.S
輸出靈敏度 1~1.5mV/V
溫度零點影響 0.01℅F.S/℃
輸出阻抗及橋壓 350Ω/10VDC
絕緣電阻 ≥2000ΜΩ
過載能力 120℅F.S
工作環境溫度 -10℃~+55℃
系列規格 5、10、15、20、30、50、70、100、120、150(㎏)
變送器輸出 0~5VDC 0~10VDC 1~5VDC 0~10mA 0~20mA 4~20mA
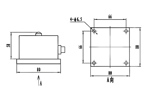
| 測量范圍 | 外形尺寸(mm) | 安裝尺寸(mm) |
| 5Kg~150Kg | 80×80×58 | 66×66×4孔×Φ6.5 |





