BLR-1型電阻應變式拉壓力傳感器
- 產品分類:稱重測力傳感器
- 全國咨詢熱線:
- 13907318074
分享到:
概述
BLR-1型電阻應變式拉壓力傳感器,采用圓筒式結構,可與各類型二次表和電子秤配套使用,作各種拉、壓、稱重、測力之用。
主要技術指標
非線性誤差 ≤±0.5℅F.S
滯后誤差 ≤±0.5℅F.S
重復性誤差 ≤±0.25℅F.S
輸出靈敏度 1~1.5mV/V
溫度零點影響 0.04℅F.S/℃
輸出阻抗及橋壓 700Ω/10VDC
絕緣電阻 ≥2000ΜΩ
過載能力 120℅F.S
工作環境溫度 -10℃~+55℃
系列規格 0.2~1 1.5~7 10~20 30~50 70~100(t) 2~10 15~70 100~200 300~500 700~1000(KN)
BLR-1型電阻應變式拉壓力傳感器,采用圓筒式結構,可與各類型二次表和電子秤配套使用,作各種拉、壓、稱重、測力之用。
主要技術指標
非線性誤差 ≤±0.5℅F.S
滯后誤差 ≤±0.5℅F.S
重復性誤差 ≤±0.25℅F.S
輸出靈敏度 1~1.5mV/V
溫度零點影響 0.04℅F.S/℃
輸出阻抗及橋壓 700Ω/10VDC
絕緣電阻 ≥2000ΜΩ
過載能力 120℅F.S
工作環境溫度 -10℃~+55℃
系列規格 0.2~1 1.5~7 10~20 30~50 70~100(t) 2~10 15~70 100~200 300~500 700~1000(KN)
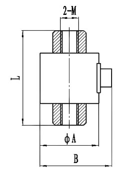
| 測量范圍 | 外形尺寸(mm) | 連接螺紋(mm) | |
| t | KN | Φ×L×B | Μ |
| 0.2~1 | 2~10 | Φ52×84×68 | Μ16×1.5 |
| 1.5~7 | 15~70 | Φ70×115×90 | Μ24×1.5 |
| 10~20 | 100~200 | Φ90×160×110 | Μ36×3 |
| 30~50 | 300~500 | Φ117×210×132 | Μ45×4.5 |
| 70~100 | 700~1000 | Φ130×224×145 | Μ56×4 |




